Axiale Festinduktivität mit Farbcode, beschichtet mit Epoxidharz
Axiale Festinduktivitäten von Southern Group sind beschichtet mit Epoxidharz, dadurch sind sie sehr leicht und gleichzeitig äußerst robust und zuverlässig. Wie bieten die folgenden vier Arten von axialen Festinduktivitäten an, Produktgruppe 0307 bis 0512. Sollten Sie andere Anforderungen als die unten aufgelisteten Produkte haben, können Sie uns jederzeit kontaktieren.
Anwendungen
Fernseher, Videorekorder, Universalgeräte, Computer, sonstige Elektrogeräte, etc.
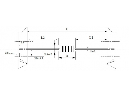
LGA0307TYPE: A:7.0max D:3.2max C:52 or 26 E:0.60 |L1-L2|<1.0
LGA0410TYPE: A:10.0max D:4.3max C:52 E:0.65 |L1-L2|<1.0
LGA0510TYPE: A:10.0max D:5.4max C:52 E:0.65 |L1-L2|<1.0
LGA0512TYPE: A:12.0max D:5.4max C:52 E:0.65 |L1-L2|<1.0
LGA Serie LGA0307 Typeneigenschaften
| Induktivität (μH) | Toleranz | Qmin | Testfrequenz L,Q(MHz) | Eigenresonanzfrequenz (MHz min) | DC Widerstand ohm(max) | Nennstrom L,Q(MHz) |
| 0.22 | M | 35 | 25.2 | 150 | 0.4 | 400 |
| 0.33 | M | 35 | 25.2 | 150 | 0.48 | 370 |
| 0.39 | M | 35 | 25.2 | 150 | 0.51 | 350 |
| 0.47 | M | 35 | 25.2 | 150 | 0.56 | 330 |
| 0.56 | M | 40 | 25.2 | 150 | 0.61 | 320 |
| 0.68 | M | 40 | 25.2 | 150 | 0.67 | 310 |
| 0.82 | M | 40 | 25.2 | 150 | 0.74 | 290 |
| 1 | M | 40 | 25.2 | 150 | 0.8 | 270 |
| 1.2 | M | 50 | 7.96 | 140 | 0.9 | 260 |
| 1.5 | M | 50 | 7.96 | 130 | 1 | 250 |
| 1.8 | M | 50 | 7.96 | 120 | 1.1 | 240 |
| 2.2 | M | 50 | 7.96 | 110 | 1.2 | 230 |
| 2.7 | M | 50 | 7.96 | 100 | 1.3 | 220 |
| 3.3 | M | 50 | 7.96 | 95 | 1.4 | 210 |
| 3.9 | M | 50 | 7.96 | 65 | 1.6 | 200 |
| 4.7 | M | 50 | 7.96 | 56 | 1.7 | 190 |
| 5.6 | M | 50 | 7.96 | 48 | 1.9 | 180 |
| 6.8 | M | 50 | 7.96 | 37 | 2 | 175 |
| 8.2 | M | 50 | 7.96 | 25 | 2.2 | 165 |
| 10 | K | 50 | 7.96 | 21 | 2.5 | 160 |
| 12 | K | 50 | 2.52 | 19 | 2.5 | 150 |
| 15 | K | 50 | 2.52 | 17 | 2.8 | 145 |
| 18 | K | 50 | 2.52 | 13 | 3.1 | 140 |
| 22 | K | 50 | 2.52 | 9.6 | 3.4 | 130 |
| 27 | K | 50 | 2.52 | 7.2 | 3.8 | 125 |
| 33 | K | 50 | 2.52 | 6.8 | 4.1 | 120 |
| 39 | K | 50 | 2.52 | 6.5 | 4.5 | 115 |
| 47 | K | 50 | 2.52 | 6.3 | 4.9 | 110 |
| 56 | K | 50 | 2.52 | 6.2 | 5.3 | 105 |
| 68 | K | 50 | 2.52 | 5.7 | 5.8 | 100 |
| 82 | K | 50 | 2.52 | 5.3 | 6.3 | 95 |
| 100 | K | 50 | 2.52 | 4.8 | 7 | 90 |
| 120 | K | 50 | 0.796 | 3.8 | 13 | 90 |
| 150 | K | 50 | 0.796 | 3.5 | 15 | 85 |
| 180 | K | 50 | 0.796 | 3.3 | 16 | 80 |
| 220 | K | 50 | 0.796 | 3 | 17 | 75 |
| 270 | K | 50 | 0.796 | 2.8 | 19 | 65 |
| 330 | K | 50 | 0.796 | 2.6 | 20 | 60 |
| 390 | K | 50 | 0.796 | 2.4 | 22 | 55 |
| 470 | K | 50 | 0.796 | 2.25 | 24 | 55 |
| 560 | K | 50 | 0.796 | 2.1 | 26 | 50 |
| 680 | K | 50 | 0.796 | 1.95 | 28 | 45 |
| 820 | K | 50 | 0.796 | 1.85 | 30 | 40 |
※ Messgerät: L&Q HP4284A; Srf HM2770;
※ Für spezielle Konfigurationen kontaktieren Sie uns bitte.
| Induktivität (μH) | Toleranz | Qmin | Testfrequenz L,Q(MHz) | Eigenresonanzfrequenz (MHz min) | DC Widerstand ohm(max) | Nennstrom L,Q(MHz) |
| 0.22 | M | 45 | 25.2 | 300 | 0.1 | 1400 |
| 0.27 | M | 45 | 25.2 | 270 | 0.11 | 1320 |
| 0.33 | M | 45 | 25.2 | 250 | 0.12 | 1280 |
| 0.39 | M | 45 | 25.2 | 230 | 0.13 | 1200 |
| 0.47 | M | 45 | 25.2 | 220 | 0.14 | 1150 |
| 0.56 | M | 45 | 25.2 | 200 | 0.15 | 1100 |
| 0.68 | M | 45 | 25.2 | 190 | 0.16 | 1030 |
| 0.82 | M | 45 | 25.2 | 170 | 0.17 | 980 |
| 1 | M | 45 | 25.2 | 157 | 0.19 | 920 |
| 1.2 | M | 50 | 7.96 | 144 | 0.21 | 880 |
| 1.5 | M | 50 | 7.96 | 131 | 0.23 | 830 |
| 1.8 | M | 55 | 7.96 | 121 | 0.25 | 790 |
| 2.2 | M | 55 | 7.96 | 110 | 0.28 | 750 |
| 2.7 | M | 60 | 7.96 | 100 | 0.3 | 720 |
| 3.3 | M | 65 | 7.96 | 94 | 0.34 | 670 |
| 3.9 | M | 65 | 7.96 | 55 | 0.37 | 640 |
| 4.7 | M | 70 | 7.96 | 50 | 0.39 | 620 |
| 5.6 | M | 70 | 7.96 | 48 | 0.43 | 590 |
| 6.8 | M | 75 | 7.96 | 37 | 0.48 | 550 |
| 8.2 | M | 80 | 7.96 | 25 | 0.52 | 530 |
| 10 | K | 65 | 7.96 | 21 | 0.58 | 500 |
| 12 | K | 50 | 2.52 | 19 | 0.63 | 480 |
| 15 | K | 50 | 2.52 | 17 | 0.72 | 460 |
| 18 | K | 50 | 2.52 | 13 | 0.77 | 430 |
| 22 | K | 50 | 2.52 | 9.6 | 0.84 | 410 |
| 27 | K | 55 | 2.52 | 7.2 | 0.94 | 390 |
| 33 | K | 55 | 2.52 | 6.8 | 1.03 | 370 |
| 39 | K | 50 | 2.52 | 6.5 | 1.12 | 350 |
| 47 | K | 45 | 2.52 | 6.3 | 1.22 | 340 |
| 56 | K | 40 | 2.52 | 6.2 | 1.34 | 320 |
| 68 | K | 40 | 2.52 | 5.7 | 1.47 | 305 |
| 82 | K | 35 | 2.52 | 5.3 | 1.62 | 290 |
| 100 | K | 30 | 2.52 | 4.8 | 1.8 | 275 |
| 120 | K | 55 | 0.796 | 3.8 | 3.7 | 185 |
| 150 | K | 45 | 0.796 | 3.5 | 4.2 | 175 |
| 180 | K | 50 | 0.796 | 3.3 | 4.6 | 165 |
| 220 | K | 55 | 0.796 | 3 | 5.1 | 155 |
| 270 | K | 65 | 0.796 | 2.8 | 5.8 | 145 |
| 330 | K | 65 | 0.796 | 2.6 | 6.4 | 137 |
| 390 | K | 65 | 0.796 | 2.4 | 7 | 133 |
| 470 | K | 60 | 0.796 | 2.25 | 7.7 | 126 |
| 560 | K | 60 | 0.796 | 2.1 | 8.5 | 120 |
| 680 | K | 55 | 0.796 | 1.95 | 9.4 | 113 |
| 820 | K | 55 | 0.796 | 1.85 | 10.5 | 105 |
| 1000 | K | 55 | 0.796 | 1.4 | 14 | 100 |
| 56 | K | 40 | 2.52 | 6.2 | 1.34 | 320 |
| 68 | K | 40 | 2.52 | 5.7 | 1.47 | 305 |
| 82 | K | 35 | 2.52 | 5.3 | 1.62 | 290 |
| 100 | K | 30 | 2.52 | 4.8 | 1.8 | 275 |
| 120 | K | 55 | 0.796 | 3.8 | 3.7 | 185 |
| 150 | K | 45 | 0.796 | 3.5 | 4.2 | 175 |
| 180 | K | 50 | 0.796 | 3.3 | 4.6 | 165 |
| 220 | K | 55 | 0.796 | 3 | 5.1 | 155 |
| 270 | K | 65 | 0.796 | 2.8 | 5.8 | 145 |
| 330 | K | 65 | 0.796 | 2.6 | 6.4 | 137 |
| 390 | K | 65 | 0.796 | 2.4 | 7 | 133 |
| 470 | K | 60 | 0.796 | 2.25 | 7.7 | 126 |
| 560 | K | 60 | 0.796 | 2.1 | 8.5 | 120 |
| 680 | K | 55 | 0.796 | 1.95 | 9.4 | 113 |
| 820 | K | 55 | 0.796 | 1.85 | 10.5 | 105 |
| 1000 | K | 55 | 0.796 | 1.4 | 14 | 100 |
| 270 | K | 65 | 0.796 | 2.8 | 5.8 | 145 |
| 330 | K | 65 | 0.796 | 2.6 | 6.4 | 137 |
| 390 | K | 65 | 0.796 | 2.4 | 7 | 133 |
| 470 | K | 60 | 0.796 | 2.25 | 7.7 | 126 |
| 560 | K | 60 | 0.796 | 2.1 | 8.5 | 120 |
| 680 | K | 55 | 0.796 | 1.95 | 9.4 | 113 |
| 820 | K | 55 | 0.796 | 1.85 | 10.5 | 105 |
| 1000 | K | 55 | 0.796 | 1.4 | 14 | 100 |
※ Messgerät: L&Q HP4284A; Srf HM2770;
※ Für spezielle Konfigurationen kontaktieren Sie uns bitte.
| Induktivität (μH) | Toleranz | Qmin | Testfrequenz L,Q(MHz) | Eigenresonanzfrequenz (MHz min) | DC Widerstand ohm(max) | Nennstrom L,Q(MHz) |
| 470 | K | 60 | 0.796 | 1.9 | 7.7 | 126 |
| 560 | K | 50 | 0.796 | 1.8 | 8.5 | 120 |
| 680 | K | 55 | 0.796 | 1.5 | 9 | 113 |
| 820 | K | 45 | 0.796 | 1.2 | 10.5 | 105 |
| 1000 | K | 45 | 0.796 | 1 | 14 | 100 |
| 1200 | K | 40 | 0.252 | 0.95 | 16.9 | 95 |
| 1500 | K | 40 | 0.252 | 0.9 | 21.6 | 90 |
| 1800 | K | 40 | 0.252 | 0.85 | 24 | 85 |
| 2200 | K | 40 | 0.252 | 0.8 | 34.7 | 80 |
| 2700 | K | 40 | 0.252 | 0.75 | 40 | 75 |
| 3300 | K | 40 | 0.252 | 0.7 | 59.5 | 62 |
| 3900 | K | 40 | 0.252 | 0.65 | 66 | 59 |
| 4700 | K | 40 | 0.252 | 0.6 | 74.5 | 55 |
| 5600 | K | 30 | 0.252 | 0.5 | 80 | 40 |
| 6800 | K | 30 | 0.252 | 0.45 | 85 | 35 |
| 8200 | K | 30 | 0.252 | 0.4 | 95 | 30 |
| 10000 | K | 20 | 0.252 | 0.35 | 105 | 25 |
※ Messgerät: L&Q HP4284A; Srf HM2770;
※ Für spezielle Konfigurationen kontaktieren Sie uns bitte.
| Induktivität (μH) | Toleranz | Qmin | Testfrequenz L,Q(MHz) | Eigenresonanzfrequenz (MHz min) | DC Widerstand ohm(max) | Nennstrom L,Q(MHz) |
| 1000 | K | 60 | 0.01 | 1 | 10.5 | 200 |
| 1500 | K | 75 | 0.01 | 1 | 12.5 | 150 |
| 1800 | K | 55 | 0.01 | 1 | 15.5 | 140 |
※Diese Art von Induktivität wird in der Miniaturausführung von elektrischen Vorschaltgeräten der Firma "OSRAM" benutzt. Die Struktur des Kerns und das Material unterscheiden sich in der allgemeinen Induktivität.
Außer axialen Festinduktivitäten beschichtet mit Epoxidharz bieten wir auch kundenspezifische Elektronik-Bauteile an, um Ihren Anforderungen bei der Leiterplattenherstellung gerecht zu werden, mit tausenden verschiedenen Modellen zur Auswahl. Wir besitzen über 30 Jahre Erfahrung in der Herstellung von Elektronik-Bauteilen, die nachfolgenden Produkte sind eine Auswahl unserer qualitativ hochwertigen Induktivitäten.